DEHNpatch – Arrester for Data Networks and Ethernet Applications

  • Surge protection for Ethernet infrastructure
  • up to 10 Gbit/s (to Class EA / 500 MHz)
  • Patch cable with surge protection CAT 6A in the channel
  • IP66 variant for outdoor applications
  • Power over Ethernet IEEE 802.3 compliant (up to PoE++ / 4PPoE)
  • Retrofit at any time

Details

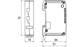
Patch cable version, fully shielded (Length: 3 m)
lorem ipsum
Easy maintenance as part of a system with status indication and remote signalling
lorem ipsum
Mounting set as an accessory for 19" patch rack solutions
lorem ipsum
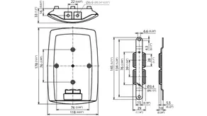
Outdoor version with IP66 degree of protection
lorem ipsum

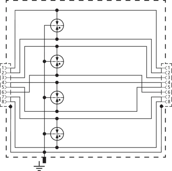
DPA CLE IP66

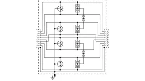
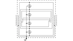
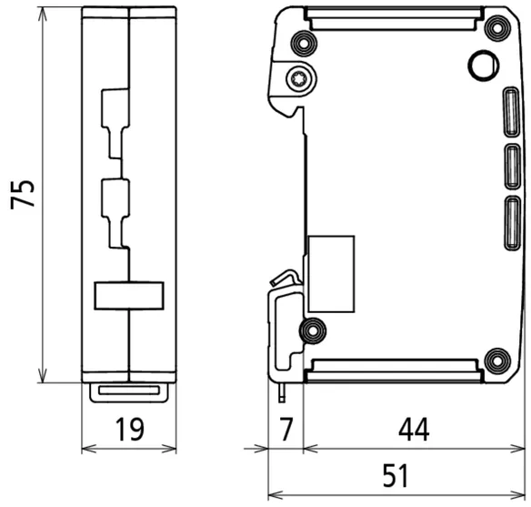
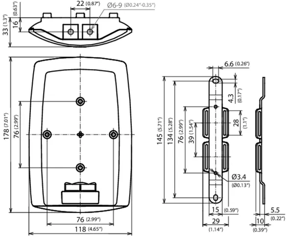
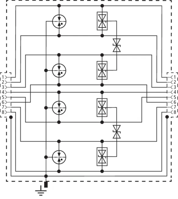
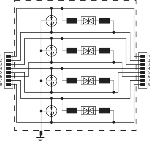
Universal surge arrester for GBit Ethernet applications, Power over Ethernet (IEEE 802.3 compliant up to PoE++ / 4PPoE) and similar applications in structured cabling systems up to class E in indoor and outdoor areas in an IP66 rated enclosure impervious to dust and water. Protection of all pairs with gas discharge tubes and one adapted filter matrix for each pair. Fully shielded surge protective solution with RJ 45 sockets. Universal mounting bracket for pole and wall mounting.
External accessories: Tensioning straps for pole mounting

1 Product

Part No. 929221 DPA CLE IP66

GTIN 4013364342866, Customs tariff No. (EU): 85363010, Gross weight: 745.00 g, PU: 1.00 pc(s)


Images

Additional information

DEHNpatch DPA CLE IP66 Class E Surge Protective Device
Outdoor arrester for GBit Ethernet applications
Power over Ethernet (up to PoE++ / 4PPoE) and similar
applications in a fully shielded IP66 enclosure
SPD class Type 2 / P1
DEHNpatch CLE IP66, tested according to EN 61643-21
Universal arrester according to EN 50173
for all data services up to 60 V DC (PoE++/4PPoE)
For protecting 4 pairs of data network interfaces
via RJ 45 sockets, for indoor and outdoor application

Brand: DEHN
Type: DPA CLE IP66
Part No.: 929221
or equivalent.

Certificates

 

Technical data

SPD class T
Max. continuous operating voltage (d.c.) pair-pair (PoE) (Uc ) 60 V
Nominal current (IL ) 1 A
D1 Lightning impulse current (10/350 µs) per line (Iimp ) 0.8 kA
D1 Total lightning impulse current (10/350 µs) (Iimp ) 4 kA
C2 Total nominal discharge current (8/20 µs) (In ) 10 kA
Cut-off frequency (fG ) 250 MHz
Degree of protection (with installed cables) IP 66
Connection (input / output) RJ45 socket / RJ45 socket
Approvals UL 497B, CSA

Product 929221 was added to Notepad.

Product 929221 was added to the cart.


DPA M CAT6

Universal arrester for Industrial Ethernet, Power over Ethernet (IEEE 802.3 compliant up to PoE++ / 4PPoE) and similar applications in structured cabling systems according to Cat. 6 and class EA up to 500 MHz. Fully shielded type with patch cable for DIN rail mounting (up to 10 Gbit Ethernet).

1 Product

Part No. 929100 DPA M CAT6 RJ45S 48

GTIN 4013364102170, Customs tariff No. (EU): 85363010, Gross weight: 244.00 g, PU: 1.00 pc(s)

Predecessor

Images

Additional information

DEHNpatch DPA M CAT 6 RJ45S 48 patch cable with integrated surge protection
Surge arrester patch cable in Cat.6 performance
DEHNpatch M, SPD class TYPE 2/P1, tested
acc. to EN 61643-21 and ISO/IEC 11801, for
universal use according to EN 50173 up to 57 V DC
for the protection of 4 pairs of data network
interfaces via RJ45 socket, for single application or
application in 19“ cabinets, total cable length 3 m,
width 19 mm


Brand: DEHN
Type: DPA M CAT6 RJ45S 48
Part No.: 929100
or equivalent.

Certificates

 

Technical data

SPD class T
Max. continuous operating voltage (d.c.) (Uc ) 48 V
Max. continuous operating voltage (d.c.) pair-pair (PoE) (Uc ) 57 V
Nominal current (IL ) 1 A
D1 Lightning impulse current (10/350 µs) per line (Iimp ) 1 kA
C2 Total nominal discharge current (8/20 µs) (In ) 10 kA
Cut-off frequency (fG ) 250 MHz
Connection (input / output) RJ45 connecting line / RJ45 connecting line

Product 929100 was added to Notepad.

Product 929100 was added to the cart.


DEHNpatch class EA (new)

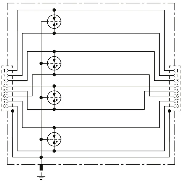
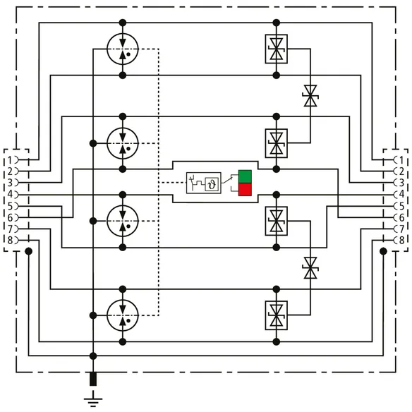
Universal, space-saving combined arrester of 19 mm in width and RJ45 connection system with status indication for simple maintenance. Protection of applications in structured cabling according to class EA to 500 MHz; e.g. industrial Ethernet, data distributors, digital camera systems, Power over Ethernet (IEEE 802.3 compliant to 4PPoE) and Ethernet-based interfaces in general. Protection of all pairs through powerful gas discharge tubes and protective diodes between signal cores and pairs. Fully shielded adapter design with RJ45 sockets for DIN rail mounting. With additional screw connection on the enclosure for an optional earth connection.

1 Product

Part No. 929161 DPA CL8 EA 4PPOE

GTIN 4013364472921, Customs tariff No. (EU): 85363010, Gross weight: 188.70 g, PU: 1.00 pc(s)


Images

Additional information

Surge protection DEHNpatch CL8 EA 4PPOE
Compact combined arrester of the
transmission class EA according to ISO/IEC 11801
for the protection of data interfaces against
lightning currents and surges in
Ethernet applications up to 10 GBit and
Power over Ethernet (up to 4PPoE)
Protection of 4 pairs via RJ45 sockets
Fully shielded design
Tested to EN/IEC 61643-21
SPD class: type 1/P2
Impulse category: D1, C1, C2, C3, B2
Integrated status indication
Monitoring via separate remote signalling unit
Space-saving, width of 19 mm
Earthing via 35‑mm DIN rail or
via screw connection on the enclosure
Max. continuous operating voltage: 3.3 V DC
Nominal current at 70°C: 1.5 A
Cut-off frequency: 500 MHz
C2 nominal impulse discharge current per line (8/20): 2.5 kA
C2 total nominal impulse discharge current (8/20): 10 kA
D1 lightning current impulse (10/350 µs) per line: 0.5 kA
D1 total lightning impulse current (10/350 µs): 4 kA
Conductor connection: RJ45 sockets

Brand: DEHN
Type: DPA CL8 EA 4PPOE
Part No.: 929161
or equivalent.

Certificates

 

Technical data

SPD class L
Max. continuous operating voltage (d.c.) (Uc ) 3.3 V
Max. continuous operating voltage (d.c.) pair-pair (PoE) (Uc ) 58 V
Nominal current (IL ) 1.5 A
D1 Lightning impulse current (10/350 µs) per line (Iimp ) 0.5 kA
C2 Total nominal discharge current (8/20 µs) (In ) 10 kA
Cut-off frequency (fG ) 500 MHz
Connection (input / output) RJ45 socket / RJ45 socket
Approvals GHMT, UL 497B

Product 929161 was added to Notepad.

Product 929161 was added to the cart.


DEHNpatch Class E

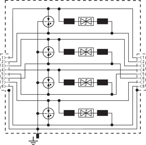
Universal arrester for Industrial Ethernet, Power over Ethernet (IEEE 802.3 compliant up to PoE++ / 4PPoE) and similar applications in structured cabling systems according to class E up to 250 MHz. Protection of all pairs by means of powerful gas discharge tubes and one adapted filter matrix per pair. Fully shielded type with sockets for DIN rail mounting (up to 1 Gbit Ethernet).

1 Product

Part No. 929121 DPA M CLE RJ45B 48

GTIN 4013364118935, Customs tariff No. (EU): 85363010, Gross weight: 122.00 g, PU: 1.00 pc(s)

Predecessor

Images

Additional information

DEHNpatch DPA M CLE RJ45B 48 surge arrester of class E
Surge arrester class E, fully shielded,
DEHNpatch M, SPD class TYPE 2/P1, tested
acc. to EN 61643-21 for universal use according
to EN 50173 up to 57 V DC for the protection
of 4 pairs of data network interfaces via RJ45
socket, for single application or application
in 19 inch cabinets, space-saving, width 19 mm.


Brand: DEHN
Type: DPA M CLE RJ45B 48
Part No.: 929121
or equivalent.

Certificates

 

Technical data

SPD class T
Max. continuous operating voltage (d.c.) (Uc ) 48 V
Max. continuous operating voltage (d.c.) pair-pair (PoE) (Uc ) 57 V
Nominal current (IL ) 1 A
D1 Lightning impulse current (10/350 µs) per line (Iimp ) 0.5 kA
C2 Total nominal discharge current (8/20 µs) (In ) 10 kA
Cut-off frequency (fG ) 250 MHz
Connection (input / output) RJ45 socket / RJ45 socket
Approvals CSA, UL 497B

Product 929121 was added to Notepad.

Product 929121 was added to the cart.


DEHNpatch Class D (new)

Universal, space-saving lightning current arrester of 19 mm in width and RJ45 connection system for lightning equipotential bonding. Protection of applications in structured cabling according to class S to 100 MHz; e.g. industrial Ethernet, data distributors, digital camera systems, Power over Ethernet (IEEE 802.3 compliant to 4PPoE) and Ethernet-based interfaces in general. Protection of all pairs through powerful gas discharge tubes. Fully shielded adapter design with RJ45 sockets for DIN rail mounting. With additional screw connection on the enclosure for an optional earth connection.

1 Product

Part No. 929166 DPA C8 D 4PPOE

GTIN 4013364472914, Customs tariff No. (EU): 85363010, Gross weight: 178.25 g, PU: 1.00 pc(s)


Images

Additional information

Surge protection DEHNpatch C8 D 4PPOE
Compact combined arrester of the
transmission class D according to ISO/IEC 11801
for the protection of data interfaces against
lightning currents in Ethernet applications
up to 1 GBit and Power over Ethernet (up to 4PPoE)
Protection of 4 pairs via RJ45 sockets
Fully shielded design
Tested to EN/IEC 61643-21
SPD class: type 1
Impulse category: D1, C2, C3
Space-saving, width of 19 mm
Earthing via 35‑mm DIN rail or
via screw connection on the enclosure
Max. continuous operating voltage: 3.3 V DC
Nominal current at 70°C: 1.5 A
Cut-off frequency: 100 MHz
C2 nominal impulse discharge current per line (8/20): 2.5 kA
C2 total nominal impulse discharge current (8/20): 10 kA
D1 lightning current impulse (10/350 µs) per line: 0.5 kA
D1 total lightning impulse current (10/350 µs): 4 kA
Conductor connection: RJ45 sockets

Brand: DEHN
Type: DPA C8 D 4PPOE
Part No.: 929166
or equivalent.

Certificates

 

Technical data

SPD class A
Max. continuous operating voltage (d.c.) (Uc ) 3.3 V
Max. continuous operating voltage (d.c.) pair-pair (PoE) (Uc ) 58 V
Nominal current (IL ) 1.5 A
D1 Lightning impulse current (10/350 µs) per line (Iimp ) 0.5 kA
C2 Total nominal discharge current (8/20 µs) (In ) 10 kA
Cut-off frequency (fG ) 100 MHz
Connection (input / output) RJ45 socket / RJ45 socket
Approvals UL 497B

Product 929166 was added to Notepad.

Product 929166 was added to the cart.


DEHNpatch Class D

Universal arrester for Industrial Ethernet, Power over Ethernet (IEEE 802.3 compliant up to PoE++ / 4PPoE) and similar applications in structured cabling systems according to class D up to 100 MHz. Protection of all pairs by powerful gas discharge tubes. DIN rail mounted adapter type with sockets.

1 Product

Part No. 929126 DPA M CLD RJ45B 48

GTIN 4013364242258, Customs tariff No. (EU): 85363010, Gross weight: 102.00 g, PU: 1.00 pc(s)


Images

Additional information

DEHNpatch DPA M CLD RJ45B 48 surge arrester of class D
DEHNpatch M surge arrester, class D
SPD class: type 2 / P1
Tested to EN 61643-21
For universal use according to EN 50173
for all data services up to 57 V d.c.
For protecting four pairs of data network interfaces
via RJ45 sockets, for single-user application or application
in distribution cabinets, space-saving, width of 19 mm.

Brand: DEHN
Type: DPA M CLD RJ45B 48
Part No.: 929126
or equivalent.

Certificates

 

Technical data

SPD class U
Max. continuous operating voltage (d.c.) (Uc ) 48 V
Max. continuous operating voltage (d.c.) pair-pair (PoE) (Uc ) 57 V
Nominal current (IL ) 1 A
D1 Lightning impulse current (10/350 µs) per line (Iimp ) 0.5 kA
C2 Total nominal discharge current (8/20 µs) (In ) 10 kA
Cut-off frequency (fG ) 100 MHz
Connection (input / output) RJ45 socket / RJ45 socket
Approvals UL 497B

Product 929126 was added to Notepad.

Product 929126 was added to the cart.


back to top